Reference: ACCTA030
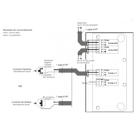
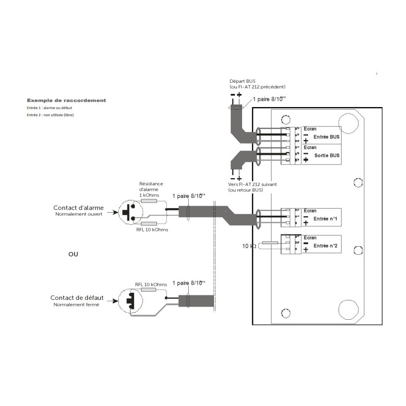
L’interface Finsecur FI-AT 212 (réf. ACCTA030) est un dispositif d’alarme technique à deux entrées conçu pour assurer la transmission d’informations d’alarme ou de défaut vers une centrale de détection incendie adressable. Chaque entrée est configurable individuellement selon les besoins du système (modes NO/NF, 3 ou 4 niveaux de surveillance).
Fabriqué en ABS rouge et protégé IP55 / IK07, le FI-AT 212 est parfaitement adapté aux environnements techniques exigeants.
Ce module garantit une surveillance fiable des contacts avec résistance de fin de ligne et seuils de détection précis. Il est conforme aux normes EN54-17 et EN54-18 et certifié par AFNOR Certification, assurant ainsi une intégration sans compromis dans les installations incendie certifiées.
Compact et léger (199 x 149 x 79 mm, 350 g), il se raccorde facilement via un câble 1 paire 8/10ème. La continuité de l’écran est à relier à la borne dédiée pour garantir une transmission fiable.
Le FI-AT 212 s’impose comme une solution performante pour la gestion d’alarmes techniques, le suivi de défauts ou la remontée d’informations de sécurité dans tous les systèmes Finsecur.FIRELESS peut en assurer la maintenance.

| Type | Coffret d’alarme technique |
| Filaire | Oui |
| Installation | intérieur |
| Résistance aux chocs | IK05 |
| Catégorie | Equipement d’alarme technique |
| Gamme | FINESECUR |
| Dimensions | 199 x 149 x 79 mm |
| Indice de Protection | IP 55 |
| Normes | NF |
| Pays origine | France |
| Couleur | Rouge |
| Certifications | NF |
| Matière / Couleur | ABS Rouge |
| Nombre de boucles | 2 |
| Relais | Relais d’alarme et relais de défaut |
Aucun avis n'a été publié pour le moment.
The minimum purchase order quantity for the product is 1