Reference: ACCTA031
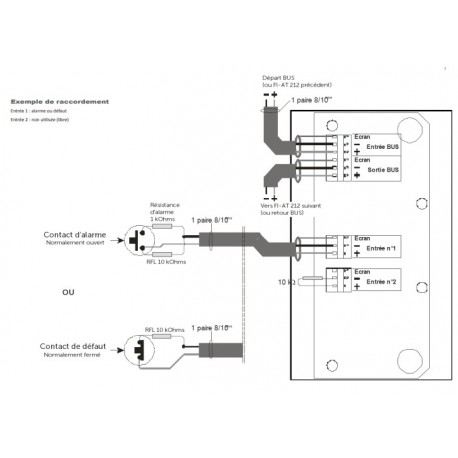
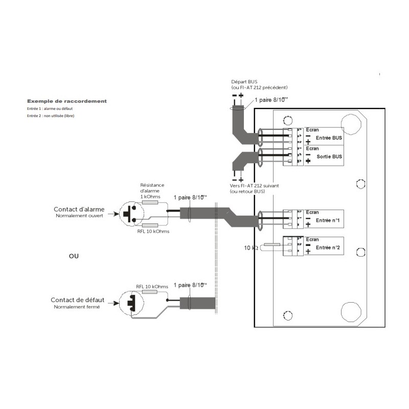
Le FI-AT 412 (ACCTA031) de Finsecur est un dispositif d’alarme technique à 4 entrées destiné à la transmission d’états de contacts libres de potentiel vers les équipements de contrôle et de signalisation adressables Finsecur. Chaque entrée est individuellement configurable via l’émulateur de bus Finsecur, offrant une souplesse d’installation maximale.
Le module assure une surveillance 4 niveaux (ouverture, veille, alarme, court-circuit) avec résistance de fin de ligne (RFL). Il peut également être paramétré en mode 3 niveaux, alarme NO/NF ou défaut NO/NF, selon le type de détection souhaité.
Compact et robuste, son boîtier ABS rouge IP55 / IK07 garantit une excellente résistance en environnement industriel. Conforme aux normes EN 54-17 : 2005 et EN 54-18 : 2005, il est certifié par AFNOR Certification (DoP 0333-CPR-075297).
Grâce à sa faible consommation et sa fiabilité, le FI-AT 412 s’intègre parfaitement dans les installations de sécurité incendie Finsecur pour la gestion centralisée des alarmes techniques (chaudières, groupes froids, ascenseurs, etc.).
FIRELESS peut en assurer la maintenance.

| Type | Coffret d’alarme technique |
| Filaire | Oui |
| Installation | intérieur |
| Résistance aux chocs | IK05 |
| Catégorie | Equipement d’alarme technique |
| Gamme | FINESECUR |
| Dimensions | 199 x 149 x 79 mm |
| Indice de Protection | IP 55 |
| Normes | NF |
| Pays origine | France |
| Couleur | Rouge |
| Certifications | NF |
| Matière / Couleur | ABS Rouge |
| Nombre de boucles | 4 |
| Relais | Relais d’alarme et relais de défaut |
Aucun avis n'a été publié pour le moment.
The minimum purchase order quantity for the product is 1